
02S404鋼性防水套管
產品名稱:鋼性防水套管詳細內容:說明:1、本圖尺寸均以毫米計。2、Ⅱ型剛性防水套管,適用于鑄鐵管,也適用于非金屬管,但應根據采用管材的管壁厚度修正有關尺寸。3、翼環及鋼套管加工完成后,在其外壁均刷底漆一遍…
鞏義市新躍供水材料有限公司專業生產各種型號防水套管,型號齊全,質量保證,支持來圖定制。
(1)剛性防水套管02S404國標長度,均有現貨。特殊長度,3-5天發貨,及時聯系QQ在線客服2172152931或者加WEIXIN:13253475755
(2)隨貨發檢驗報告、合格證等資料。
(3)承接各種大型工程,如:【中國水利水電第十一工程局有限公司安裝分局武漢泵站DN2800\DN3200柔性、剛性防水套管;蘭州市政建設集團有限責任公司;合肥地鐵2號線;江蘇江都建設集團有限公司;陜西華海水利工程有限公司;新疆和山巨力化工有限公司;北京興順康蘭工程機械有限公司等等】
(4)產品型號過多,價格無法一一注明,電話:132-5347-5755/1314-0182-505


剛性防水套管是鋼管外加翼環(鋼板做的環形套在鋼管上),裝于墻內(多為混凝土墻),用于一般管道穿墻,利于墻體的防水。
一般的水池為了防止水從側壁漏出,要求穿水池上的水管都要安裝防水套管,邊上設止水翼環。
剛性防水套管適用于管道穿墻處不承受管道振動和伸縮變形的構(建)筑物,適用于管道穿墻處空間有限或管道安裝先于構(建)筑物或管道的更新改造。對于有地震設防要求的地區,如采用鋼性防水套管,應在進入池壁或建筑物外墻的管道上就近設置柔性連接。A型適用于鋼管,B,C型適用于球墨鑄鐵鋼管及鑄鐵管。
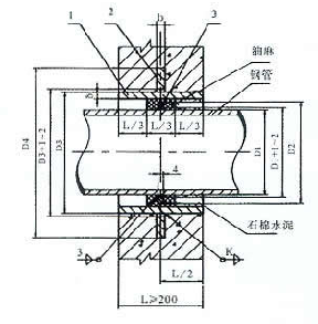
說明:
1、本圖尺寸均以毫米計。
2、Ⅱ型剛性防水套管,適用于鑄鐵管,也適用于非金屬管,但應根據采用管材的管壁厚度修正有關尺寸。
3、翼環及鋼套管加工完成后,在其外壁均刷底漆一遍(底漆包括樟丹或冷底子油)。
4、Ⅱ型套管尺寸表內所列之材料重量為鋼套管(套管長度L值按200mm計算)及翼環之重量。鋼套管及翼環用A3材料制作,T42焊條焊接。
5、Ⅱ型套管穿墻處之墻壁,如遇非混凝土墻壁時應改用混凝土墻壁,其澆注混凝土范圍,Ⅱ型套管應比翼環直徑(D4)大200mm,而且必須將套管一次澆固于墻內。套管內的填料應緊密搗實。
6、Ⅱ型防水套管處的混凝土墻厚,應不小于200mm,否則應使墻壁一邊或兩邊加厚,加厚部分的直徑,最小應比翼環直徑(D4)大200mm.
剛性防水套管(A型) |




產品服務
專業制造、專業服務,新躍為你創造更多價值
不斷提升服務質量,精益求精,“真誠的服務”是新躍永恒的主題。新躍嚴格按照 ISO9001-2000 質量體系認證要求,質量嚴格把關,責任到人,確保生產、銷售、服務的健康運行。加強與用戶溝通,竭誠為廣大客戶提供優質產品,至善至美服務,特此新躍做出如下承諾:
產品標準
產品嚴格按照中國 GB、HG 標準和美國 API 等標準設計、制造、驗收。密封面硬度達到國家規定要求,寬度超過國家標準。
售前服務
產品介紹,技術交流,非標產品設計,疑難解答。
售中服務
1、守信合同,保證及時供貨,隨時保持與客戶聯系
2、對特殊或復雜的產品,我廠安排技術人員對用戶進行產品使用、故障排除、調式及維修進行培訓和指導。
售后服務
1、新躍產品質保期為自出廠起 12 個月,實行“三包”服務(包退、包換、包修)。
2、產品在使用中我廠定期組織技術、檢查人員進行訪問,征詢用戶對產品質量、使用狀況、改進意見等方面的反饋,以便進一步提高產品質量。
3、對用戶投訴產品質量問題,快速做出反映,售后服務人員在 24-36 小時(省外 48 小時)趕赴現場。
訂貨流程與須知
1、客戶采購清單請聯系在線客服,或加新躍官方QQ:2172152931 / 發至郵箱:2172152931@qq.com / 來電咨詢 0371-64032222/13526621751。
2、收到客戶采購清單,為客戶提供產品型號選型與報價(價格清單)。
3、具體商定:交貨期、特殊要求等事宜。
訂貨須知
1、客戶對產品有特殊要求,須在訂貨合同中提供以下說明:
(1)結構長度
(2)連接形式
(3)公稱直徑、全通徑、縮徑、管道尺寸
(4)用介質及溫度、壓力范圍
(5)實驗、檢驗標準及其他要求本廠可根據客戶特殊要求配置定做和設計特殊產品。
2、本廠可根據客戶特殊要求配置定做和設計特殊產品。
3、如由客戶提供確定的產品類型和型號時,客戶應正確說明其型號的含義和要求,在供需雙方理解一致的條件下簽訂合同。

b型柔性防水套管

a型柔性防水套管

07FS02防護密閉套管

雙球體橡膠接頭嚴格的安裝步驟

防拉脫限位裝置在橡膠接頭中的重要作用

◎◎橡膠軟接頭的正確安裝方法
橡膠接頭 撓性橡膠接頭…
橡膠接頭、卡箍橡膠接頭、大翻邊橡膠接頭新躍橡膠接頭廠家,專業生產,量大從優!
不銹鋼雙法蘭限位伸縮…
不銹鋼雙法蘭伸縮接頭是由本體、密封圈、壓蓋、伸縮短管等主要部件組成。在松套伸縮接頭原有性能的基礎上增設限位裝置,在最大伸縮量處用雙螺母鎖定。管道在允許的伸縮量中可以自由伸縮,一旦超…
可曲撓橡膠接頭
可曲撓橡膠接頭簡介可曲撓橡膠接頭又叫做橡膠管軟接頭、柔性橡膠接頭、橡膠軟接頭、橡膠接頭、高壓橡膠接頭、橡膠減震器、補償器等。按連接方式分松套法蘭式、固定法蘭式和螺紋式3種;按結構可分…
人防穿線密閉套管
穿線密閉套管說明:1、當迎水面為腐蝕性介質時,可采用封堵材料將縫隙封堵;2.套管穿墻處如遇非混凝土墻壁時,應局部改用混凝土墻壁,其澆注范圍應比翼環直徑(DS)大200,并且必須將套管一次澆固…